-
ينطوي الحكم على نوعية فاصل بطارية PE في بطارية الرصاص الحمضية على تقييم عدة عوامل رئيسية:
ينطوي الحكم على نوعية فاصل بطارية PE في بطارية الرصاص الحمضية على تقييم عدة عوامل رئيسية:1. وتصنع أجهزة فصل البولي إيثيلين عالية الجودة من مواد البولي إيثيلين الممتازة المتينة...- Industry news
- بواسطة: JinHan
- Nov 13,2023

-
كيفية الحكم على جودة أقراص فلتر البطارية
عندما نحكم على جودة أقراص مرشح البطاريةهناك عدة عوامل يمكنكم أخذها بعين الاعتبار. فيما يلي بعض الجوانب الرئيسية لتقييم جودة أقراص مرشح البطاريةالمادة: المادة المستخدمة في أقرا...- Industry news
- بواسطة: JinHan
- Nov 06,2023

-
ما هي مزايا فاصل كلوريد البوليفينيل SIO2 مقارنة بفاصل كلوريد البوليفينيل العادي
فاصل PVC SiO2. ) تحسنا مقارنة بالفواصل العادية للبوليفينيل الكلوريد بسبب دمج الجسيمات النانوية لثاني أكسيد السيليكون (SiO2). وفيما يلي بعض الأسباب التي تفسر اعتبار فواصل كلوري...- Industry news
- بواسطة: JinHan
- Oct 30,2023

-
الفرق بين فاصل ثاني أكسيد البولي فينيل كلوريد وفاصل ثنائي الفينيل
إن فاصل PVC SiO2. والفصل PE (البولي إيثيلين) هما نوعان مختلفان من الفواصل المستخدمة في البطاريات. وإليكم الاختلافات الرئيسية بينهما: المادة: فاصل PV...- Industry news
- بواسطة: JinHan
- Oct 23,2023

-
هل بطارية السيارة الكهربائية أفضل مع بطارية الماء أم بطارية جافة؟
فيما يتعلق بمسألة ما إذا كانت بطارية السيارة الكهربائية أفضل مع بطارية الماء أم بطارية جافة:بطارية الماء نفسها ثقيلة وغالية الثمن، مناسبة لاستعمال البضائع الثقيلة. والبطاريات ...- Industry news
- بواسطة: JinHan
- Oct 16,2023

-
أهمية تركيب مانعة لهب البطارية على بطاريات الرصاص الحمضية
تثبيت كاتم لهب البطارية ) بشأن البطاريات الرصاصية الحمضية هامة لعدة أسباب:السلامة: يمكن أن تنتج بطاريات الرصاص الحمضية غاز الهيدروجين أثناء التشغيل العادي، وخاصة أثناء ال...- Industry news
- بواسطة: JinHan
- Oct 09,2023

-
كيف تعمل عين البطارية السحرية
إن العين السحرية للبطارية(ديسمبر 2018) المعروف أيضا باسم عين الهيدرومتر أو مؤشر حالة الشحن، هو جهاز صغير يوجد عادة في بطاريات السيارات. يوفر مؤشرا بصريا للبطارية#39 ؛ حالة الش...- Industry news
- بواسطة: JinHan
- Oct 02,2023

-
كيفية اختيار مؤشر مستوى ماء البطارية
عند اختيار مؤشر مستوى ماء البطارية، هناك عدة عوامل يجب أخذها في الاعتبار. وفيما يلي بعض النقاط الرئيسية التي ينبغي ألا تغيب عن البال:التوافق: التأكد من أن مؤشر مستوى الماء&nbs...- Industry news
- بواسطة: JinHan
- Sep 25,2023

-
هل تعرف أهمية البطارية الأنبوبية الفاصل القفاز؟
إنفاصل الأحجار) مكوناً أساسياً يؤدي دوراً حاسماً في تشغيل البطاريات الأنبوبية. هنا#39; بعض المعلومات حول أهميته:الهيكل والتصميمفاصل القفاز (بالإنجليزية: Guntlet separator) هو نوع م...- Industry news
- بواسطة: JinHan
- Sep 18,2023

-
بنية واستخدام فاصل PE.
وظيفةفاصل الطاقة هي فصل الصفيحتين الموجبة والسالبة اللتين تعتمدان على بعضهما البعض لمنع حدوث دارات قصر نتيجة الاتصال ببعضهما البعض. يجب أن تكون مادة الفصل PE مقاومة جيدة للحمض ومقا...- Industry news
- بواسطة: JinHan
- Sep 11,2023

-
استخدام بطاريات AGM.
بطارية AGM هي بطارية رصاصية حامضية محكمة الإغلاق تصنع باستخدام تكنولوجيا الحصيرة الزجاجية الماصة. اسمها الكامل هو البطارية الزجاجية الممتصة. تتميز بطاريات البطاريات ذات المعدن المو...- Industry news
- بواسطة: JinHan
- Sep 04,2023

-
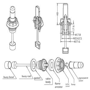
الخصائص الخاصة بصمام أمان بطارية بدء التشغيل
صمام أمان بطارية بدء التشغيل هو نوع من أجهزة الأمان المستخدمة للتحكم في الضغط الداخلي لبطاريات بدء التشغيل. وسمته الخاصة هي قدرته على منع الضغط الزائد وتراكم الغاز داخل البطارية أث...- Industry news
- بواسطة: JinHan
- Aug 28,2023


الإنجليزية
الروسية
البرتغالية
العربية
بنجلا
الإندونيسية




